각형 근접센서   

APS-F/U

APS-F/U


  • 타입 : 비실드
  • 검출 거리 : 3 ~ 10mm
  • 보호 구조 : IEC - IP67
  • 출력 형태 : 2선식 DC, 노말오픈 / 3선식 NPN, 노말오픈 / 3선식 PNP, 노말오픈





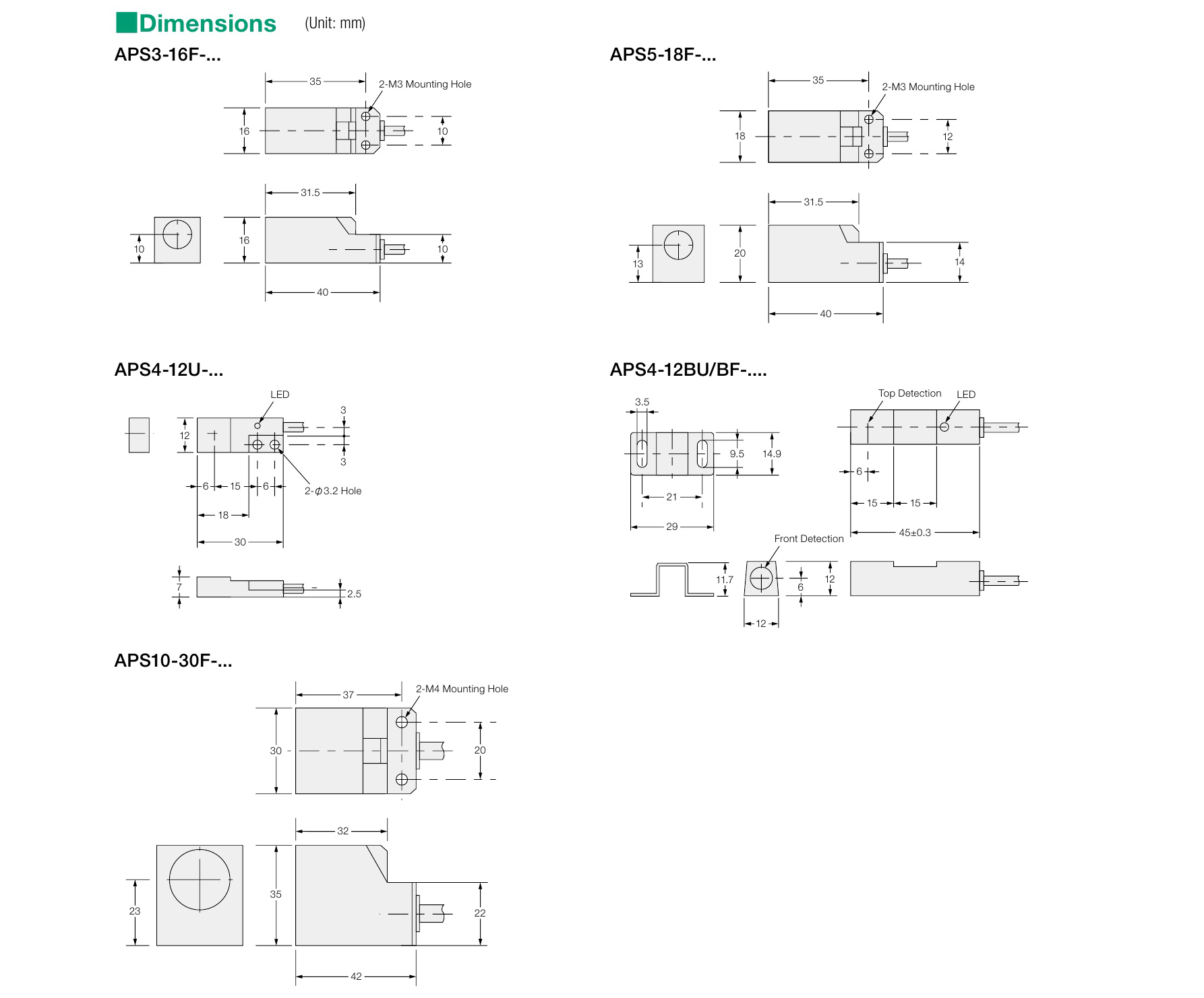
  • 치수도

질문게시판

어려운 점이나 궁금하신 점이 있으신가요?
Koyo에 물어보세요.

자세히보기 +

동영상

동영상 자료들로 누구라도 쉽게
Koyo 제품의 사용법을 확인할 수 있습니다.

자세히보기 +

한글자료실

영문 설명서가 어려우신가요?
한글자료실에서 국문 설명서를 만나보세요.

자세히보기 +

프로그램

Koyo의 다양한 프로그램을
이제 쉽게 만나보세요.

자세히보기 +